HTM-H015A06-SPI-V0 | 1.5 inch 172x320 TFT LCD module with ST7778 controller, SPI interface IPS full viewing angle display
This exquisite 1.5 inch TFT LCD Modules, although small in size, contains amazing visual energy. It has a high resolution of 172 x 320, and with the RGB three-color matrix, it depicts every detail in detail. Even more amazing is its NTSC 70% wide color gamut performance, which gives vivid and full color vitality to the health data on smart bracelets, complex curves on portable instruments, or key parameters on industrial controllers, ensuring that the information transmission is both accurate and pleasing to the eye.
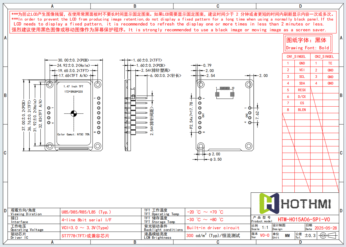
This exquisite 1.5-inch TFT LCD module, although small in size, contains amazing visual energy. It has a resolution of 172 x 320, and with the RGB three-color matrix, it depicts every detail in detail. Even more amazing is its NTSC 70% wide color gamut performance and moderate 300cd/m2 brightness, which gives vivid and full color vitality to the health data on the smart bracelet, the complex curves on the portable instrument or the key parameters on the industrial controller, ensuring that the information transmission is both accurate and pleasing to the eye.
This exquisite 1.5-inch TFT LCD module is equipped with an industrial-grade ST7778 driver chip (or compatible solution) at its core, and its built-in intelligent circuit greatly simplifies your integration work. The driver board is equipped with a connector that is easy to disassemble and assemble. Users only need to do simple operations to separate the display screen from the driver board. At the same time, the driver board transmits the display screen signal through metal pins to achieve smooth transmission between the device and the display module. In addition to realizing conventional signal transmission, the metal pins on the driver board of this module also merge the backlight into the same pin control. Under this function, this display screen module realizes the function of PWM dimming, and users can selectively use TE signals. The 6.00mm long solid pins and the φ2.00mm positioning hole design give this model excellent shock resistance and connection stability in complex industrial environments. The module can still operate stably in extreme temperature environments from -30℃ to +80℃, ensuring that the display is always stable and reliable in both hot and cold weather, meeting the requirements of demanding industrial applications.
We also offer a 320x320 resolution square display in the same size. TFT-H015A4HQIST7N40 ,There is also a 1.5-inch circular display TFT-H015A05ZNIST3N10.

8.0 Inch TFT LCD Display With LVDS Interface From China Manufacturer Now Available!
English
簡(jiǎn)體中文
日本語(yǔ)
Deutsch
???
Русский язык
Espa?ol
Fran?ais

























































