Character LCD Module 2x20 STN- Blue Serial Display with White Backlight Arduino display
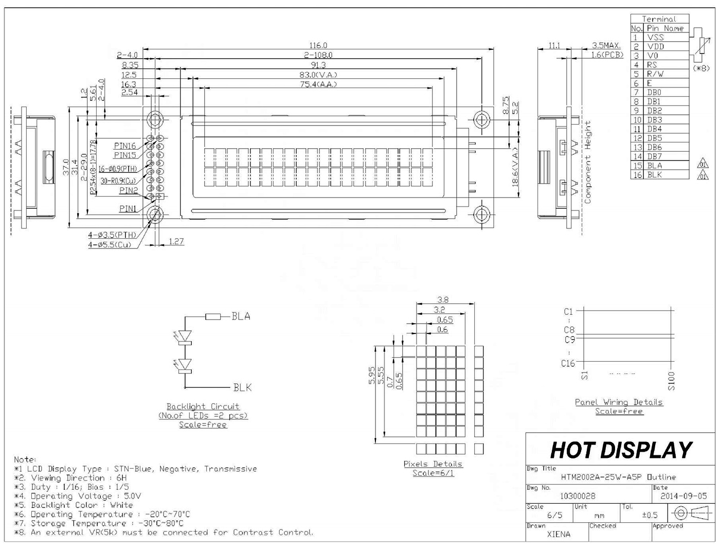
The Character LCD Module 2x20 character LCD display is a transmissive LCD screen primarily designed for embedded systems, DIY electronic projects, and educational purposes. Here are detailed specifications about the display:
Display Output:
Upon startup, the display shows characters on a blue background with white pixels. This initial configuration is likely the default state and can be adjusted through corresponding driver settings.
LCD Display Principle:
As a transmissive LCD display, it controls the transparency of liquid crystals to modulate the passage of light, forming images. The screen requires a backlight to ensure visibility of pixels.
Operating Temperature Range:
It offers a wide operating temperature range, from -20 degrees Celsius to 70 degrees Celsius, making it suitable for various environmental conditions.
Serial Interface and Arduino/C8051 Compatibility:
Equipped with a serial interface, it is fully compatible with embedded systems like Arduino, providing convenience for DIY electronic projects.
Optimal Viewing Time:
The recommended optimal viewing time is 6:00, possibly indicating the best display performance during daylight or specific lighting conditions.
Operating Power Supply Voltage:
Requires a 5V power supply, conforming to the standard voltage for common embedded systems and Arduino-based electronic projects.
RoHS Compliance:
Compliant with RoHS standards, ensuring that the product adheres to environmental regulations.
If you encounter specific issues during usage or have additional requirements, please specify, and I will do my best to provide further assistance.
8.0 Inch TFT LCD Display With LVDS Interface From China Manufacturer Now Available!
English
簡體中文
日本語
Deutsch
???
Русский язык
Espa?ol
Fran?ais
























































