character LCD Module |4x16 DSTN(-) white side backlit monochrome LCD display | Arduino | MCU interface | ST7066U controller | transflective | white text on black background
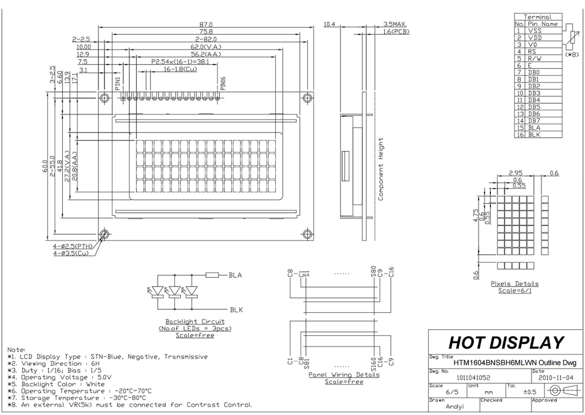
The character LCD Module HTM1604B-41W-A5P is a 16-character, 4-line LCD that shows white characters on a black background. This single-line transmitting display operates with a supply voltage of 5V. The compact design, blue LCD display, offers the best viewing experience with an optimal viewing direction at 12:00. It operates at wide range temperatures ranging from as low as -20°C to as high as 70°C. It stands out with a distinctive side white backlight that increases visibility and readability under low-light environments. This LCD display has an integrated ST7066U controller that ensures high compatibility with a range of interfaces and development boards, including Arduino.
8.0 Inch TFT LCD Display With LVDS Interface From China Manufacturer Now Available!
English
簡體中文
日本語
Deutsch
???
Русский язык
Espa?ol
Fran?ais


























































