character LCD Module |4x16 STN(+) white side-backlit monochrome display | Arduino | MCU interface | ST7066U controller | Transflective
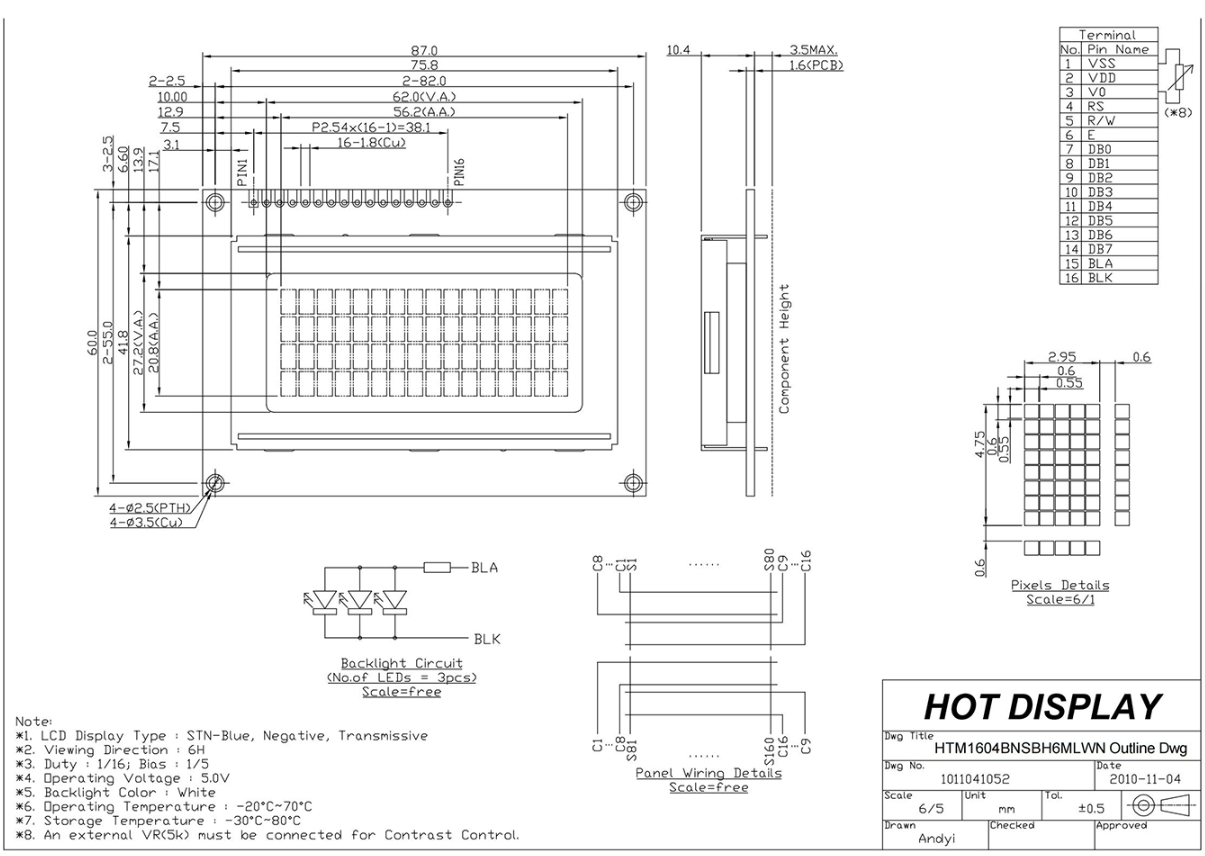
character LCD Module HTM1604B-11W-A5P is a 16-character wide, 4-line character LCD module, dark blue text on gray, wide operating temperature range, compliant with Rohs standards, built-in character set supports English, Russian text, for the complete character set, please refer to ST7066U data sheet. Choice of pin header connections, 5V or 3.3V power supply, and arduino adapter board.
It can be easily controlled through 8051, ARDUINO, and other MCUs. It can be used in any embedded system, industrial equipment, security, medical and handheld devices.
8.0 Inch TFT LCD Display With LVDS Interface From China Manufacturer Now Available!
English
簡體中文
日本語
Deutsch
???
Русский язык
Espa?ol
Fran?ais


























































