character LCD Module |5V 4x16 STN(+) yellow-green side backlit monochrome display | Arduino | MCU interface | ST7066U controller | transflective display
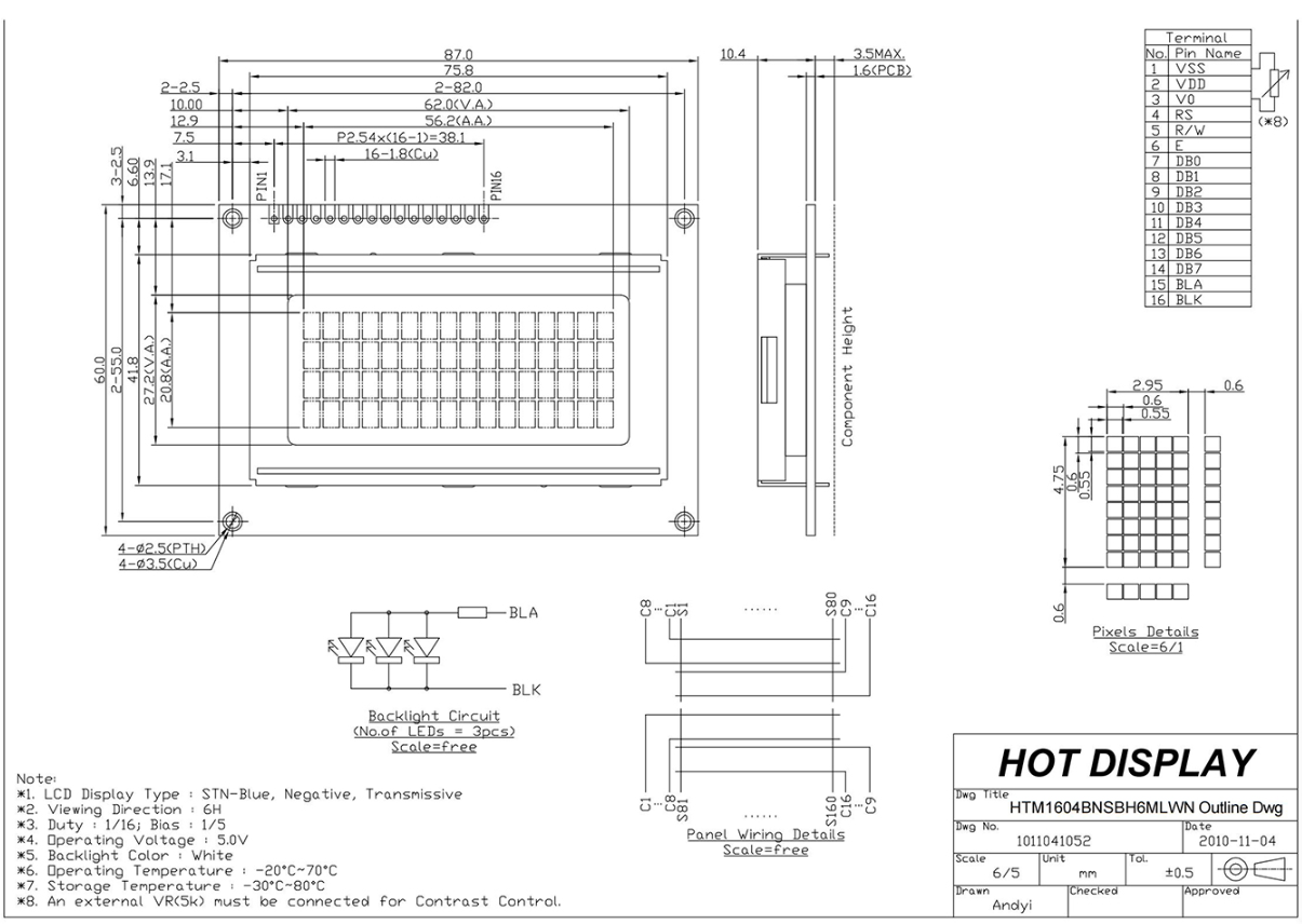
character LCD Module HTM1604B-11Y-A5P is a 16-character wide, 4-line character LCD module, ST7066U controller, single LED backlight, yellow-green, STN positive display semi-transparent film, black text on a yellow-green background, wide operating temperature range, compliant with Rohs standards , the built-in character set supports English/Japanese text, regarding the complete character set. Choice of pin header connections, 5V or 3.3V power supply, and I2C adapter board for arduino.
It can be easily controlled by MCUs such as 8051 and ARDUINO. It can be used in any embedded system, industrial equipment, security, medical and handheld devices.
8.0 Inch TFT LCD Display With LVDS Interface From China Manufacturer Now Available!
English
簡(jiǎn)體中文
日本語(yǔ)
Deutsch
???
Русский язык
Espa?ol
Fran?ais


























































