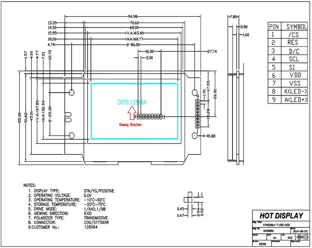
HTM12864-7-11Y-A5P | 3.0-inch graphic LCD module | 128x64 graphic display LCD module | STN+ yellow-green backlight | 5.0V | ST7565R controller
This 128x64 LCD module displays dark gray pixels on a yellow-green background. This improved LCD monitor is designed to provide optimal visibility in a variety of lighting conditions in a variety of environments. In sunlight, the screen uses its reflective levels to reflect ambient light back to the viewer, making the screen easy to read. In darker environments, the LCD has a powerful built-in backlight that provides high contrast and displays clear graphics to the viewer. This advanced technology ensures that the screen is always easy to read, regardless of lighting conditions.
This graphic LCD module is fully compatible with Arduino/C8051 and can be connected with other electronic systems for various applications. The HTM12864-7-11Y-A5P type is designed to withstand harsh operating conditions and works well in the -20-70°C temperature range.
Connector Customization: Easily modify any connectors on your display to meet your application’s requirements. Our engineers are able to perform soldering for pin headers, boxed headers, right angle headers, and any other connectors your display may require. |
PCB Modifications: Choose from a variety of changes to the PCB's shape, size, pinout, and component layout to make it perfect for your application. |
Backlight color customization: The module backlight has a variety of combinations to choose from, without backlight or with yellow-green/blue/white/amber/red/RGB backlight options. There are 48 effects. You can click on the customization page for reference. |
Font library customization: Provides a variety of font libraries, including English/Japanese, Western Europe, Eastern Europe, Scandinavian Europe, Cyrillic (Russian), Hebrew/Arabic, etc. |
Cable Customization: Adjust the length, position, and pinout of your cables or add additional connectors. Get a cable solution that’s precisely designed to make your connections streamlined and secure. |
8.0 Inch TFT LCD Display With LVDS Interface From China Manufacturer Now Available!
English
簡體中文
日本語
Deutsch
???
Русский язык
Espa?ol
Fran?ais



























































